Каталог
Каталог
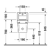
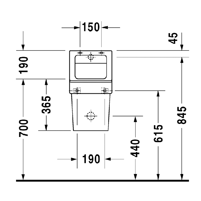
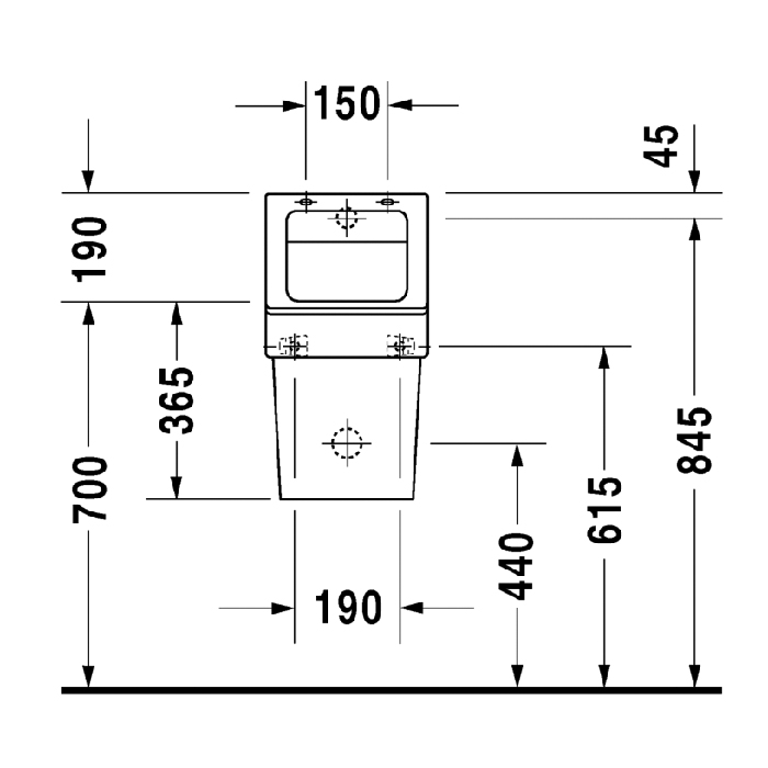
Закажите Duravit Vero Крышка для писсуара, цвет: белый глянцевый 61510000 от производителя Duravit, коллекция Vero в салоне европейской сантехники Дизайн Сантехники с быстрой доставкой по Москве. Представлены подробные характеристики и фотографии, которые позволят сделать правильный выбор и заказать товар.
Duravit Vero Крышка для писсуара, цвет: белый глянцевый 61510000 и другие сантехнические изделия бренда характеризует надежность, высокое качество и продолжительный срок службы. Изделие в стилистике неоклассика впечатляюще будет смотреться в различных цветовых решениях помещения.
У нас вы точно сможете выбрать и заказать комплектующие для писсуаров и другую сантехнику премиум класса на любой вкус. Оформить заказ можно на сайте, или приглашаем посетить наш шоурум на ул. Средняя Калитниковская, 28с2, где менеджеры ответят на любые вопросы и помогут сделать выбор.
